|
Το ΡΑΦ προσφέρει και υλοποιεί τις δύο βασικότερες συνδέσεις των μεταλλικών μελών –
συνδέσεις τέμνουσας (αρθρώσεις) και συνδέσεις ροπής (μερικές ή πλήρεις πακτώσεις) με
βάση τα πρότυπα των συνδέσεων του καταλόγου του Γερμανικού Συνδέσμου Μεταλλικών
Κατασκευών – DTSV. Οι διατάξεις αυτών των συνδέσεων είναι ιδιαίτερα βελτιστοποιημένες κι
έχουν δοκιμασθεί σε κτηριακά έργα επί πολλές δεκαετίες, καλύπτοντας την πλειονότητα των
περιπτώσεων της καθημερινής τεχνικής πράξης. Επιπλέον, υπάρχει η δυνατότητα τροποποίησης
των χαρακτηριστικών των πρότυπων συνδέσεων και η δημιουργία νέων συνδέσεων σύμφωνα με
τις επιθυμίες του μελετητή.
Μετά την ανάλυση ενός μεταλλικού κτηρίου κι επιλέγοντας κάποιο μεταλλικό στοιχείο, το
ΡΑΦ βάσει των διατομών των συνδεόμενων μελών και των εντατικών μεγεθών της ανάλυσης,
προτείνει αυτόματα τους τύπους των κατάλληλων πρότυπων συνδέσεων, για τον συγκεκριμένο
κόμβο. Επίσης, γίνεται αυτόματος υπολογισμός του δυσμενέστερου λόγου εξάντλησης της
σύνδεσης για την αρχή και το τέλος του μεταλλικού μέλους. Με αυτόν τον τρόπο, ο
μελετητής επιλέγει τον τύπο της σύνδεσης που επιθυμεί να τοποθετήσει.
Για τους τύπους των συνδέσεων όπου δεν υπάρχουν πρότυπες, όπως οι συνδέσεις πλάκας
έδρασης μεταλλικού υποστυλώματος, οι συνδέσεις ροπής ενισχυμένων άκρων και οι συνδέσεις
των διαγώνιων συνδέσμων, το ΡΑΦ προσφέρει βοηθητικούς διαλόγους κι εργαλεία για τη
σύνθεσή τους.
Τοποθέτηση σύνδεσης άρθρωσης με ζεύγος γωνιακών στα άκρα μεταλλικής δοκού στο ΡΑΦ,
επιλέγοντας από τις προτεινόμενες του καταλόγου με βάση τους αυτόματα υπολογιζόμενους
λόγους εξάντλησης της κάθε μιας.
Οι κατηγορίες των συνδέσεων παρουσιαζονται αναλυτικά στις παρακάτων ενότητες
|
|
α) Συνδέσεις Τέμνουσας
Οι συνδέσεις τέμνουσας (άρθρωσης) δοκού – στύλου, πραγματοποιούνται με τη χρήση
γωνιακών ελασμάτων στα άκρα των δοκών, βάσει των πρότυπων συνδέσεων. Επιλέγοντας μία
μεταλλική δοκό μετά την ανάλυση του κτηρίου, αυτόματα πραγματοποιείται ο έλεγχος
επάρκειας των συμβατών συνδέσεων, ώστε κατά την επιλογή της σύνδεσης προς
τοποθέτηση, να είναι γνωστός ο δυσμενέστερος λόγος εξάντλησης CR της σύνδεσης για
την αρχή και το τέλος του στοιχείου.
Πρότυπη σύνδεση άρθρωσης με ζεύγος γωνιακών στο ΡΑΦ.
|
|
β) Συνδέσεις Ροπής
Οι συνδέσεις ροπής (πακτώσεις ή μερικές πακτώσεις), πραγματοποιούνται με μετωπική πλάκα, βάσει των πρότυπων συνδέσεων και περιλαμβάνουν:
- Σύνδεση δοκού – στύλου, με εισέχουσα μεταλλική πλάκα.
- Σύνδεση δοκού – στύλου με εξέχουσα προς τα άνω μεταλλική πλάκα.
- Σύνδεση δοκού – στύλου με εξέχουσα προς τα άνω και κάτω μεταλλική πλάκα.
- Σύνδεση δοκού – δοκού, με εισέχουσα μεταλλική πλάκα.
- Σύνδεση δοκού – δοκού με εξέχουσα προς τα άνω μεταλλική πλάκα.
- Σύνδεση δοκού – δοκού με εξέχουσα προς τα άνω και κάτω μεταλλική πλάκα.
Πρότυπη σύνδεση ροπής με εισέχουσα μετωπική πλάκα στο ΡΑΦ.
|
|
γ) Συνδέσεις ροπής ενισχυμένων άκρων
Για τις συνδέσεις ροπής των ενισχυμένων άκρων, ο μελετητής-μηχανικός μπορεί να
διαμορφώσει τη σύνδεση και να δημιουργήσει απεριόριστο πλήθος νέων συνδέσεων,
επιλέγοντας ανάμεσα από 5 διαφορετικούς τύπους (3 για ενισχυμένο ακραίο κόμβο
πλαισίου και 2 για κόμβο κορφιά). Στη συνέχεια, οι νέες συνδέσεις μπορούν να
καταχωρηθούν στη βιβλιοθήκη συνδέσεων του ΡΑΦ και να είναι διαθέσιμες σε κάθε νέα
μελέτη.
Τύποι σύνδεσης ενισχυμένου άκρου για χρήση σε ακραίο κόμβο πλαισίου στο ΡΑΦ.
Τύποι σύνδεσης ενισχυμένου άκρου για χρήση σε κόμβο κορφιά πλαισίου στο ΡΑΦ.
|
|
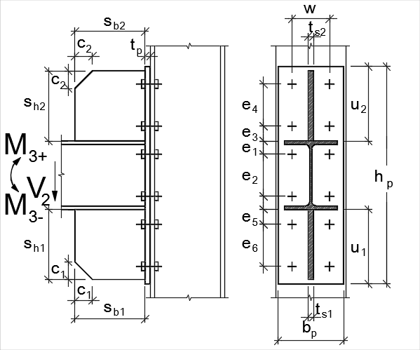
δ) Συνδέσεις βάσης υποστυλωμάτων
Για την έδραση των μεταλλικών υποστυλωμάτων, χρησιμοποιούνται πλάκες έδρασης με
σύστημα αγκύρωσης (αγκύρια), όπου ο χρήστης μπορεί να ορίσει και να διαμορφώσει
εύκολα μέσω βοηθητικών διαλόγων τη σύνδεση που επιθυμεί. Και αυτές οι συνδέσεις
αντιμετωπίζονται ως βιβλιοθήκη έτσι ώστε να μπορούν να χρησιμοποιηθούν σε μελλοντικά
έργα.
Δεδομένα εισαγωγής πλάκας έδρασης μεταλλικού υποστυλώματος.
|
|
ε) Συνδέσεις διαγωνίων συνδέσμων
Οι διαγώνιοι σύνδεσμοι συνδέονται μέσω κοχλιών σε κομβοελάσματα τα οποία
συγκολλούνται είτε απευθείας στις δοκούς, είτε συνηθέστερα στη μετωπική πλάκα της
δοκού και στη δοκό. Και σε αυτούς τους τύπους συνδέσεων, ο χρήστης μπορεί να
διαμορφώσει εύκολα, μέσω βοηθητικών διαλόγων τη σύνδεση που επιθυμεί.
Σύνδεση διαγώνιων συνδέσμων μέσω κομβοελασμάτων συγκολλημένων στη μετωπική πλάκα και στη δοκό.
|